PVDF非金属泵B05
安装和启动将泵放置在尽可能靠近被泵送产品的位置。将吸入管路长度和接头数量保持在最小。不要减少吸入管路直径空气供应将泵进气口连接至具有足够容量和压力的气源,以实现所需性能。应安装一个压力调节阀,以确保供气压力不超过建议的限值。空气阀润滑空气分配系统设计为无需润滑即可运行。这是标准的操作模式。如果需要润滑,安装空气管路润滑器设置为每20 SCFM(9.4升/秒)输送一滴SAE 10非清洁油泵消耗的空气
安装和启动将泵放置在尽可能靠近被泵送产品的位置。将吸入管路长度和接头数量保持在最小。不要减少吸入管路直径空气供应将泵进气口连接至具有足够容量和压力的气源,以实现所需性能。应安装一个压力调节阀,以确保供气压力不超过建议的限值。空气阀润滑空气分配系统设计为无需润滑即可运行。这是标准的操作模式。如果需要润滑,安装空气管路润滑器设置为每20 SCFM(9.4升/秒)输送一滴SAE 10非清洁油泵消耗的空气
为了满足客户对PVDF泵的产品期望,我们严格控制每台泵的质量,并在装运前对每台泵进行测试。
一致重启;空气阀滑阀配有辅助孔道,确保一致重启成功。无润滑油;滑阀和阀套之间的压缩空气能够彼此隔离,从而减少摩擦力和无润滑。


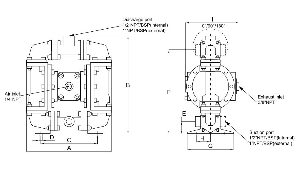
安装和启动
将泵放置在尽可能靠近被泵送产品的位置。将吸入管路长度和接头数量保持在最小。不要减少吸入管路直径
空气供应
将泵进气口连接至具有足够容量和压力的气源,以实现所需性能。应安装一个压力调节阀,以确保供气压力不超过建议的限值。
空气阀润滑
空气分配系统设计为无需润滑即可运行。这是标准的操作模式。如果需要润滑,安装空气管路润滑器设置为每20 SCFM(9.4升/秒)输送一滴SAE 10非清洁油泵消耗的空气量。参考性能曲线确定空气流量消耗
空气管路湿度
压缩空气供应中的水可能会导致排气结冰或冻结,导致泵不稳定地循环或停止运行。空气中的水可以可通过使用点空气干燥器减少。
进气口和注油
要启动泵,稍微打开空气切断阀。泵充注后,可以根据需要打开空气阀以增加空气流量。如果打开阀门增加循环速率,但不增加流速,出现空化。阀门应稍微关闭,以获得泵的最有效气流流量比。